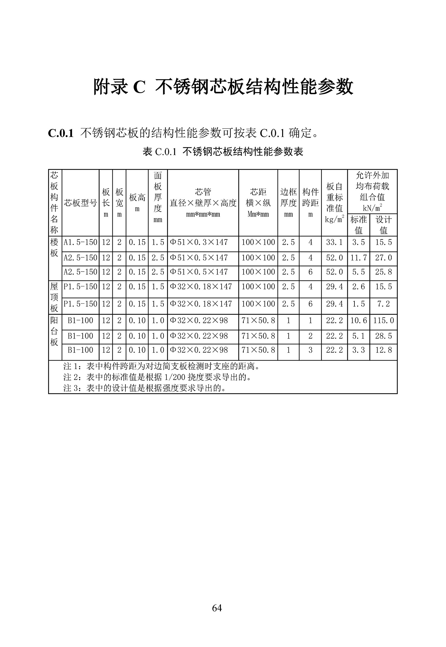
不锈钢芯板建筑结构技术标准






































































































































在线预约

我们还将为您解答所有问题

了解详情 >

联系我们

销售:0731-84086558 生产:0730-2276133
了解详情 >

账号

用户注册 用户登录

在线服务

商务咨询

 

联络

联系我们
Copyright© 远大科技集团      湘ICP备09010211号-1